發布時間:2024-03-22 14:17:52瀏覽次數:1719

電纜故障測試儀-高壓開關特性測試儀-專注于電力試驗設備研發! 咨詢電話:130-3714-0838
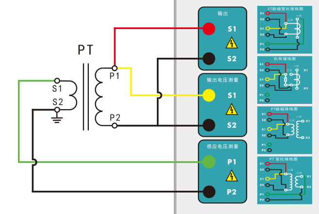
我們以LDTCP-1200D變頻互感器綜合測試儀來講解PT變比試驗操作方法
① PT變比試驗接線方式:
輸出的S1紅色測試線和輸出電壓測量的S1黃色測試線短接在一起,接在互感器一次P1端子。
輸出的S2黑色測試線和輸出電壓測量的S2黑色測試線短接在一起,接在互感器一次P2端子。
感應電壓測量P1和P2接二次S1和S2。
PT變比試驗接線圖:

② 接好測試線,進行參數設置,對應互感器銘牌輸入對應的參數,如下圖:

③ 參數設置
第1步:在參數界面,類型欄中選擇PT選項。
第2步:填入合適編號和繞組,以便試驗結束后保存報告時有合適的報告名稱。
第3步:選擇試驗項目,在變比項目前打鉤?。
第4步:輸入當前溫度:測試時繞組溫度,一般可輸入測試時的氣溫。
第5步:試驗項目選擇變比測試,需輸入一次電壓,即PT一次側的額定電壓
第6步:選擇額定頻率:指CT的額定工作頻率,可選值為:50Hz或60Hz。
第7步:輸入最大電壓:如果二次額定電壓是100V,最大電壓設置成130-190V之間均可。
④ 參數設置完成后,進行測試,測試結束,擰動旋轉鼠標,查看測試數據,也可以選擇打印數據。